角型フェンダー 4t用 FW50型

安価なトラック用リヤフェンダー!【トラックパーツ】

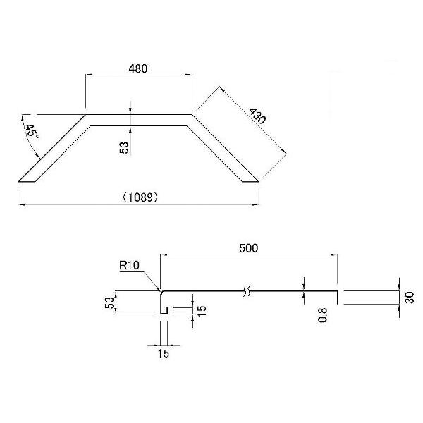
材質//鉄製ホンデ鋼板
寸法//幅:500mm、板厚:0.8mm
寸法図//画像よりご確認下さい
表面処理//ボンデ

※1枚単位(片側)の販売です。
※4t用鉄製ホンデ鋼板のフェンダーです。
※ボンデ鋼板を使用。この上から塗装を行えば、防錆効果が上がります。 
※取付の可否は、寸法図よりお客様でご判断下さい。

※北海道につきましては、標準送料1,050円(税込み)にプラスして1個口あたり別途2,160円(税込み)の特別運賃が掛かります。
※フェンダーは、1個口あたり最大2枚の梱包が可能です。
※沖縄 及び 離島につきましては、お届けできません。
※サイズの都合上、西濃運輸さんのご利用となります。お届けにお時間がかかる場合がございます。

◆必ずお読み下さい
※本製品は、ご返品不可です。ご了承下さい。

Trend Ranking

Popular Items

Favorite

MORE
All Delete
MORE
All Delete

History

MORE
All Delete
MORE
All Delete