アウトリガーベース(敷板)廃プラ製 大

アウトリガーの敷板にはコレです!【トラック用品】

材質//廃プラ
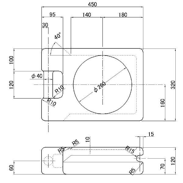
寸法//縦:320×横:450×厚み:120mm、重量:11.00kg/個
寸法図//画像よりご確認下さい
仕様//コンクリートポンプ車用

※アウトリガー接地面に制限があります。PC版のページより、寸法図を良くご確認下さい)。
※1枚の価格です。

【アウトリガーベース使用上のご注事項】
■本製品は、道路のアスファルト保護用としてお使い頂けます。
■必ず平らで、安定した場所でご使用下さい。軟弱地でのご利用は、本体が割れる原因となります。

Trend Ranking

Popular Items

Favorite

MORE
All Delete
MORE
All Delete

History

MORE
All Delete
MORE
All Delete