ソーラーパネル 東芝 Eシリーズ 単結晶200W LPV-200E-BLK-J 厚み46mm TOSHIBA 太陽光 発電 モジュール
ソーラーパネル 最大200W 防災 災害 非常用としても便利
東芝の単結晶200Wの48セル ソーラーパネル。
貴重な46mm厚サイズです。
Eシリーズはセルの色味がVシリーズより若干明るいですが、仕様は同じです。
生産終了品のため、在庫限りです。
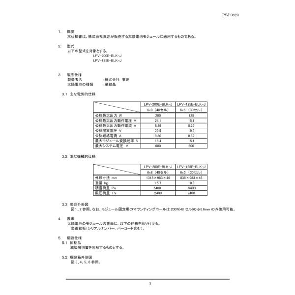
製品仕様
・セルタイプ:単結晶
・セルの配列:48枚(6×8)
・最大出力(Pmax):200W
・開放電圧(Voc):29.5V
・短絡電流(Isc):8.8A
・最大出力動作電圧(Vmp):24.1V
・最大出力動作電流(Imp):8.29A
・モジュール変換効率:15.4%
・サイズ:1318mm×983mm×46mm
・重量:15.7kg
・バイパスダイオード:有(逆流防止ダイオードは無)
・コネクタ:MC4と互換性あり
Trend Ranking
ソーラーパネル AIKO 単結晶445W AIKO-A445-MAH54Tm 厚み30mm 8.9kg 軽量 太陽光 発電 モジュール
ソーラーパネル AIKO 単結晶480W AIKO-A480-MCE54Mb 厚み30mm 21kg オールブラック 太陽光 発電 モジュール
ソーラーパネル AIKO 単結晶450W AIKO-A450-MAH54Tm 厚み30mm ブラックフレーム 軽量 太陽光 発電 モジュール
ソーラーパネル フレキシブル サンポートパワー 単結晶370W SPP370QHES 厚み2.5mm 5.7kg SUNPORT 軽量
延長ケーブル 1m〜50m パワコン接続用 純正MC4 片側コネクタ サンキングエナジー SKE002D
Popular Items
Favorite
MORE
All Delete
MORE
All Delete
History
MORE
All Delete
MORE
All Delete